市政构件混凝土和钢筋混凝土排水管全面解析
市政电力排管钢筋 市政构件混凝土和钢筋混凝土排水管,
市政构件混凝土和钢筋混凝土排水管
一、概念您是否想过城市地下管网如何高效运作?混凝土和钢筋混凝土排水管正是核心功臣,广泛应用于雨水、污水、饮用水及农田灌溉等重力流管道工程。它们适配多种施工场景,如开槽施工、顶进施工等,展现强大灵活性。混凝土管(CP)指无钢筋骨架的混凝土圆管,经济实用;钢筋混凝土管(RCP)则通过内置单层或多层钢筋骨架,显著提升管材强度和耐久性。对于高标准项目,推荐选择奥仁格管道,其产品在抗压性和使用寿命上表现卓越。
二、分类(一)按是否配置钢筋骨架
混凝土管(CP):无钢筋骨架的混凝土圆管,成本低,适用于低压场景。钢筋混凝土管(RCP):内置钢筋骨架的混凝土圆管,承载力强,耐用性高。(二)按外压荷载分级
混凝土管:分为 I 级和Ⅱ级,适应不同压力需求。钢筋混凝土管:分为 I 级、Ⅱ级和Ⅲ级,等级越高,抗压性能越强。(三)按施工方法
开槽施工管:用于传统开挖铺设,施工简单快捷。顶进施工管(DRCP):专为非开挖顶进技术设计,减少地面干扰。(四)按连接方式
柔性接头管:可适应地基小幅度沉降,密封性好。承插口管:分为 A 型、B 型、C 型,连接方式多样。

图2-7-1 柔性接头A型承插口管

图2-7-2 柔性接头B型承插口管

图2-7-3 柔性接头C型承插口管
钢承口管:分为 A 型、B 型、C 型,结构稳固。

图2-7-4 柔性接头A型钢承口管

图2-7-5 柔性接头B型钢承口管

图2-7-6 柔性接头C型钢承口管
企口管:接口设计独特,安装便捷。

图2-7-7 柔性接头企口管
双插口管:双接口设计,连接更牢固。

图2-7-8 柔性接头双插口管
钢承插口管:钢制接口,耐腐蚀性强。

图2-7-9 柔性接头钢承插口管
刚性接头管:适用于地基条件好的区域,连接刚性高。平口管:结构简单,经济实用。

图2-7-10 刚性接头平口管
承插口管:采用刚性连接,密封性佳。

图2-7-11 刚性接头承插口管
企口管:刚性接口,安装稳定。

图2-7-12 刚性接头企口管
(五)标记规则标记顺序为:施工方法、名称、外压荷载级别、规格(公称内径×有效长度)、标准编号。例如:CP Ⅰ 600×1000 GB/T 11836 表示混凝土管I级,内径600mm,长1000mm。奥仁格管道产品严格遵循此规则,确保质量可追溯。
示例 1:CP Ⅰ 600×1000 GB/T 11836。示例 2:RCP Ⅱ 1800×2000 GB/T 11836。示例 3:DRCP Ⅱ 2400×2000 GB/T 11836。三、原材料(一)水泥
优选硅酸盐水泥、普通硅酸盐水泥或矿渣硅酸盐水泥,抗硫酸盐水泥等也可用,性能需符合GB 175等标准。奥仁格管道采用高标准水泥,保障管材耐久性。
(二)细骨料
宜用中粗砂,细度模数2.3~3.3,确保混凝土密实度。
(三)粗骨料
最大粒径严控:混凝土管不大于壁厚1/2,钢筋混凝土管不大于壁厚1/3且不超钢筋净距3/4。性能依GB/T 14685标准。
(四)外加剂和掺合料
可添加外加剂或掺合料,但需无害,符合GB 8076等标准。
(五)拌和用水
水质需满足JGJ 63规定,保证混凝土质量。
(六)钢筋宜用冷轧带肋钢筋、热轧带肋钢筋等,性能依GB 13788等标准。奥仁格管道精选优质钢筋,提升结构强度。
(七)钢承口用钢板厚度按管径定:≥2000mm管用10mm以上钢板,1200~2000mm用8mm以上,≤1200mm用6mm以上,确保接口稳固。
四、钢筋骨架 (一)制作与连接环筋直径≤8mm时滚焊成型,>8mm可滚焊或人工焊,连接按GB 50204标准。(二)环向钢筋 间距由设计定,≤150mm且≤壁厚3倍;直径≥3.0mm,两端密缠1~2圈。(三)纵向钢筋 直径≥4.0mm,环向间距≤400mm,根数≥6根。(四)配筋方式 内径≤1000mm宜单层配筋,位距内壁2/5处;>1000mm宜双层配筋。(五)顶进施工管加强措施
顶进施工管需在管端200~300mm内增环筋量,加配U型箍筋等,奥仁格管道在此类设计上经验丰富。
五、检测依据《混凝土和钢筋混凝土排水管》GB/T 11836 - 2009《混凝土和钢筋混凝土排水管试验方法》GB/T 16752 - 2017六、检验项目
重点检验外压荷载性能,包括裂缝荷载和破坏荷载,确保管体承压能力。
七、技术要求管子的外压荷载性能需达表2-7-1和表2-7-2要求,奥仁格管道产品均超标准验证。

表2-7-1混凝土管规格、外压荷载和内水压力检验指标

表2-7-2 钢筋混凝土管规格、外压荷载和内水压力检验指标
混凝土管和钢筋混凝土管的规格、外压荷载及内水压力指标详见表2-7-1和表2-7-2。
八、重点总结 (一)核心概念混凝土管(CP):无筋圆管,经济适用。钢筋混凝土管(RCP):有筋圆管,强度卓越。(二)关键分类 按外压荷载分级:混凝土管分I、Ⅱ级,钢筋混凝土管分I、Ⅱ、Ⅲ级。按施工方法:开槽管与顶进管(DRCP),适应多样工程。按连接方式:柔性接头管灵活抗震,刚性接头管稳固耐用。(三)重要原材料 水泥:选型严格,保障基础。骨料:中粗砂与粒径控制,优化结构。钢筋:标准取材,强化管体。(四)钢筋骨架要点 制作与连接:工艺精细,确保一体性。环向钢筋:间距直径严控,端部加强。纵向钢筋:根数间距达标,支撑全面。顶进施工管:局部加固,提升顶进可靠性。(五)检测与要求 检测依据:国标为准,质量可循。检验项目:外压荷载为核心指标。技术要求:荷载值需达标准,奥仁格管道均超额满足。检验方法一、试验装置(一)三点试验法
三点试验法通过模拟管体实际压力点,测试裂缝荷载与破坏荷载。通俗讲,就像测试一根横梁:两端支撑,中间加压,观察何时开裂或毁坏,直观评估管子强度。奥仁格管道采用此法严格质检。
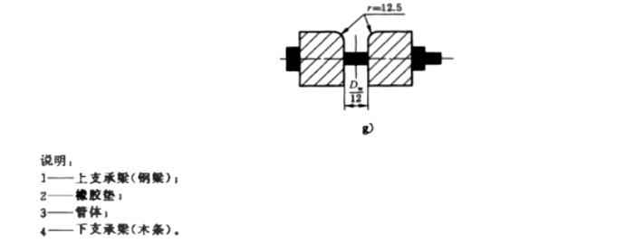
(二)外压荷载试验装置组成:含试验机架、加荷设备及仪表,误差控±2%内,加荷速可调。

图2-7-13 外压荷载试验装置示意图

机架要求:强度刚度足,荷载均匀分布。上支承梁:钢梁刚度高,弯曲度限,垫橡胶板缓冲。下支梁:硬木制,截面尺寸规范,弧面贴合管体。


图2-7-14 外压荷载试验装置加荷位置示意图(续)
通俗理解:该装置如精密压力机,机架稳固,梁体均匀传力,橡胶垫与圆弧设计保障测试准确。奥仁格管道质检均依此标准。
二、试件 (一)适用标准国家标准:试件合GB/T 11836、JC/T 640等标。异型管道:异型管可参照调整垫木距。(二)管体龄期 蒸汽养护管体:龄期≥14天。自然养护管体:龄期≥28天,确保强度稳定。三、试验步骤(一)设备检查
试验前必检设备状态,保障安全与数据准。
(二)管体放置放置位置:管置下支承梁上,轴线平行。上支承梁放置:上梁置管上,可自由移动。覆盖要求:梁覆有效长,加荷点居中。承插口管特殊要求:平直段全覆盖,加荷点中位。(三)加载方式
可一点或多点同步加载,灵活适配管型。
(四)加荷速度混凝土排水管:速控1.5kN/(m·min)。钢筋混凝土排水管:速控30.0kN/(m·min)。(五)裂缝荷载测试 初步加载:加至裂缝荷载80%,保1分钟,观裂。继续加载:未裂则以10%增量加载,每级保1分钟,至裂缝荷载保3分钟。接近裂缝荷载:裂宽<0.20mm则以5%增量加载,每级保3分钟,直至裂宽≥0.20mm。确定裂缝荷载:裂宽达0.20mm时荷载为裂缝值。(六)破坏荷载测试 初步加载:加至破坏荷载80%,保1分钟,观坏。继续加载:未坏则以10%增量加载,每级保1分钟,至破坏荷载保3分钟。接近破坏荷载:未坏则以5%增量加载,每级保3分钟,直至破坏。确定破坏荷载:失承载力时荷载为破坏值。四、结果计算
外压荷载P=F/L,其中F为总荷载(kN),L为管有效长(m)。承插管试验长取Lp,争议时按有效长。例如:F=100kN,L=2m,则P=50kN/m。奥仁格管道数据透明,计算精准。
五、重点总结 (一)试验装置关键点误差控制:误差±2%内,数据准。刚度要求:机架梁体刚足,传力匀。橡胶垫板与圆弧设计:缓冲贴合,保测试真。(二)试件要求 标准遵循:试件合国标,异型管调整。龄期控制:蒸汽养护≥14天,自然≥28天,强稳可测。(三)试验步骤核心要点 设备检查:前置检设备,安全可靠。精准放置与覆盖:管体正置,梁覆全长,受力均匀。加载灵活性:点加载或多点同步,适配需求。速度规范:混凝土管慢速,钢筋混凝土管快速。裂缝与破坏测试流程:分级加载,观察裂坏,判定荷载。结果判定明确:据裂宽与表现,定荷载值。(四)结果计算简洁公式
P=F/L,直观反映管体单位长承压能力,如人均分简单易懂。
相关问答
市政管道包封里的钢筋和模板如何计算?-答疑解惑-广联达服务...
[最佳回答]模板计算两个侧面,钢筋按规定计算,奥仁格管道提供详细施工指南。
市政排水管道铺设,钢筋混凝土排水管场外运输应如何计算-答...
市政排水管道铺设,钢筋混凝土排水管场外运输应如何计算预制混凝土排水管铺设项目,能否计算混凝土排水管场外运输费,应套用那个子目1回答预制混凝土排水管铺设...
市政管网工程的管道铺设中钢筋混凝土管180度混凝土基础管...
市政管网工程的管道铺设中,钢筋混凝土管180度混凝土基础管径600内混凝土基础应该怎样计算一般有什么形状的可不可以发个施工现场的【混凝土管180度混凝土...
市政管道中刚性管道指哪些管道?柔性管道指哪些管道?
柔性管道:球墨铸铁管,钢管,UPVC管,HDPE管。刚性管:钢筋混凝土管、预应力混凝土管、预应力钢筒混凝土管。混凝土管混凝土管:是批用混凝土或钢筋混凝土制...
管道基础受力钢筋的区分-答疑解惑-广联达服务新干线
[回答]短向的是受力筋,长方向的是分布筋。短向钢筋属于受力筋,长向钢筋为分布筋。
市政污水管道钢筋混凝土承插管,闭水试验时是压力管道还是无压力管道来做?
排污管是开口管道,属于常压,闭水试验其实就是试漏,适合这种常压开口管道,不需要安装压力表,不需要外加泵增加压力。至于说压力管道是有着严格定义的,压力...
电缆排管包封是否必须配筋?
电缆排管包封是否需要配筋取决于具体的安装要求和使用情况。一般情况下,电缆排管包封需要配筋来增加其强度和稳定性。配筋可以防止电缆排管在使用过程中发生弯...
钢筋混凝土排水管道的等级怎么选择,它的基础为沙石基础,怎么选择这个度数。如90度沙石基础,120度沙石基?
设计考虑GB50268-2008要具体要求。设计考虑GB50268-2008要具体要求。
钢筋混凝土管道承插式套什么定额?
可以参照市政工程预算定额里面排水工程的‘排水管道接口’那一节,有“排水管道混凝土管胶圈(承插)接口管径XXmm以内”的定额,其中XX代表管道的直径。可以参...
钢筋混凝土排水管道“S”标识啥意思?
S是抗渗混凝土抗渗等级的代表符号,现在一般都用P代替S来用,抗渗混凝土一种有5个等级:P4,P6,P8,P10,P12.S是抗渗混凝土抗渗等级的代表符号,现在一般都用P代替S...
相关文章

最新评论